Основные характеристики:
- Материал корпуса - литая нержавеющая сталь
- Максимальная температура - 90*С
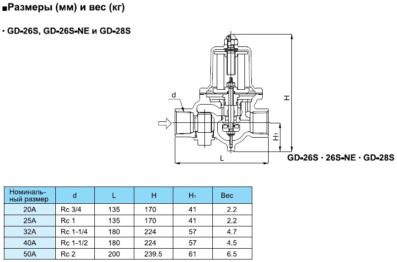
- Условный диаметр - 20 - 50 мм
- Давление на входе - до 10 бар(и)
- Давление на выходе - 0,5..7 бар(и)
| Тип продукта |
Редукционный клапан прямого типа действия
|
| Применение |
Вода
|
| Давление на входе |
До 10 бар(и)
|
| Тип присоединения |
Резьбовое
|
| Материал корпуса |
Литая нержавеющая сталь
|
| Особенность |
Низкий уровень шума
|







Оплата
Оплата заказа возможна только юридическими лицами по безналичному расчету.
Платеж производится на основании выставленного Счета/Договора с указанием его порядкового № и предмета поставки в платежном поручении. Денежные средства поступят на расчетный счет в течение 1-3 рабочих дней от даты оплаты.
Заказ формируется к отгрузке после зачисления 100% предоплаты на расчетный счет ООО «Вайз Инжиниринг"
Важно: Отгрузка товара производится после 100% оплаты и зачисления средств на расчетный счет ООО «Вайз Инжиниринг»*.